製品の特長
- 全溶接型で高圧・短時間洗浄を実現
- パッキンレスで異物混入・漏れなし
- パッキン交換のメンテナンス不要
- 計器で洗浄の確実性と履歴を確認
- タッチパネルで工程・時間を選択
- 熱回収用のオプションでコスト大幅低減が可能
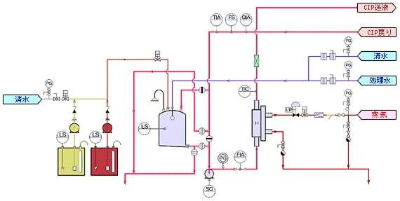
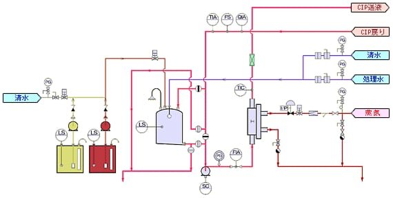
機能で選ぶ -洗浄-
食品製造には洗浄・殺菌が不可欠であり、殺菌の有効性は洗浄による清浄度維持が前提とされています。その意味で、食品製造はSIP (SIterilization in Place) 殺菌を前工程とし、CIP (Clean In Place) 洗浄が後工程として付随しています。
しかし、これ等の工程は生産に寄与しない為、時間短縮やコスト削減の要求が常に伴って来ています。
当社はプラントメ-カ-の立場よりお客様の要望に応えるべく、生産性向上と洗浄殺菌の確実性を目指した設備全体での御提案を行っております。
マルチユースCIP装置

洗剤の複数回使用を前提とした装置であり、経済的CIP装置と言えます。特に複数ラインを1つの洗浄装置で賄う場合は、洗剤やユ-ティリティの消費が少なく効果的と言えます。
また、複数ラインの洗浄を賄う場合、全ての情報が集約されラインの集中管理に適します。
シングルユースCIP装置

焦付き等の汚れが多く洗剤の疲弊が大きいラインでは、洗剤の効力低下から再利用が困難となります。シングルユ-スCIP装置は、洗浄工程毎に洗剤の使い捨てを行い洗剤効力を最大限に活用する事を特長とします。また、殺菌機等の専用CIP化とする事で、他ラインと異なる洗剤種類、濃度、工程等を容易に組み込む事が可能です。
ステーションCIP装置

工場単位のCIP管理と、ランニング費用の低減を目的とする場合に最適です。中央に大容量のホストタンクを設け、各洗浄ラインに加熱循環用ステ-ション装置を設置します。CIP用薬剤は各ステ-ションの必要量がホストから供給され、各ステ-ションは洗浄工程終了に伴いCIP薬剤をホストタンクに回収します。また、工場全体の製造用冷却水等は、ホストのリユ-スタンクに集合回収されCIP用洗浄水として再利用します。
